过桥安装、制作标准
(一)采掘工作面过桥安装位置
1、在采煤、掘进工作面皮带机头大架后不大于15m处设置一个过桥。
2、刮板机搭接在胶带机上时,在搭接点后不大于15m处设一个过桥,在刮板机头向后不大于15m处设一个过桥,如刮板机长度超过60m时,在刮板机中间另设一过桥。
3、胶带机搭接在刮板机上时,在刮板机尾前方不大于15m处设置一个过桥。
4、刮板机与刮板机搭接时(综采工作面运输机除外),在搭接点后不大于5m处设置一个过桥,如刮板机长度超过60m时,在刮板机中间另设置过桥。
5、胶带机与胶带机搭接时,在搭接点缓冲架前方不大于10m处应设置一个过桥。
6、掘进机转载皮带与胶带机搭接时,在胶带机尾缓冲架前方不大于15m处应设置一个过桥。
7、掘进巷道内安设有胶带机或刮板机时,在钻场、水仓或信号硐室入口处应安设一个过桥。
8、当胶带机长度超过300m时,为确保清煤、检修方便,应每300m设置一个过桥(如中间有钻场或水仓时,该过桥可就近安装,但要保证过桥之间的距离不能超过300m)。
(二)主运输皮带过桥安装位置
1、采煤、掘进工作面胶带与主运胶带搭接时,在主运胶带搭接点10m范围内设置一个过桥。
2、主运皮带搭接位置为方便检查落煤点及溜煤槽状况,在搭接点向机头方向10m位置主运胶带上应设置一个过桥。
3、在主运皮带非行人侧存放物料及配件的地点,人员需跨越处应设置过桥。
4、煤仓下口沿煤流方向向前10m位置,应设置过桥以方便观察落煤点及检查、检修工作。
5、当胶带机长度超过300m时,为确保清煤、检修方便,应每300m设置一个过桥。
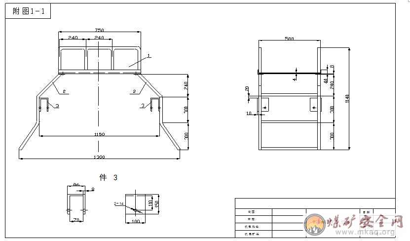
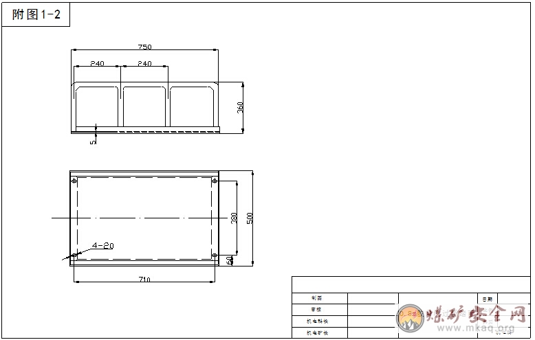
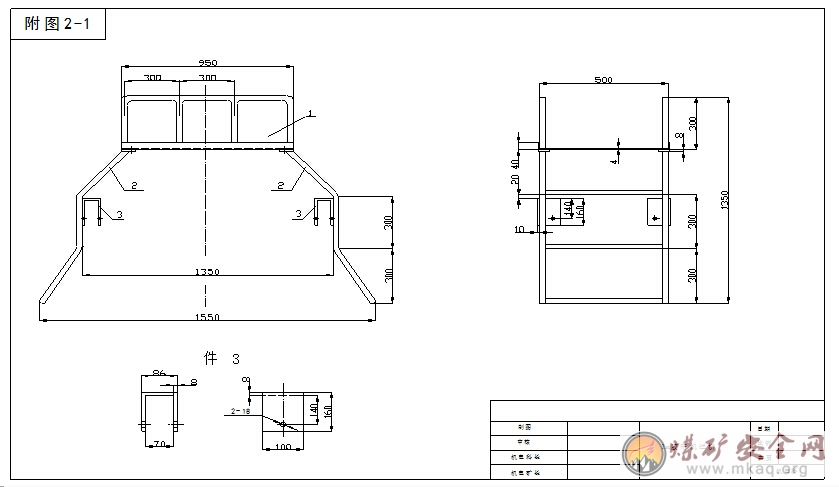
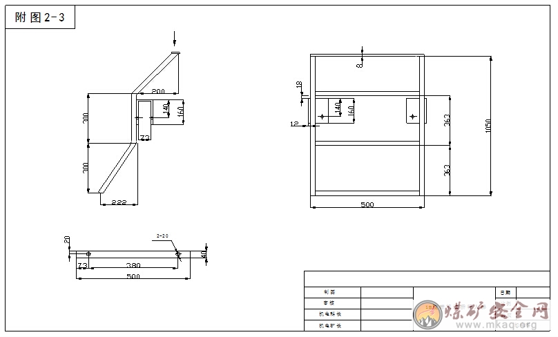
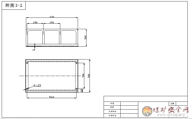
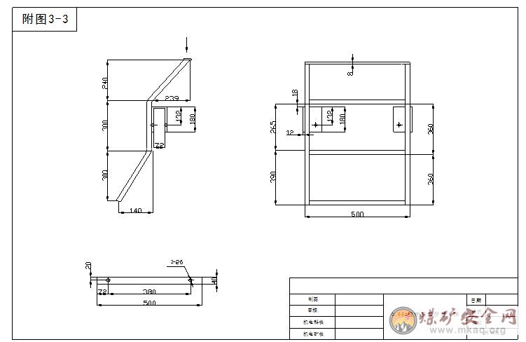
(三)过桥安装要求
1、过桥与皮带机之间采用螺丝或U型卡子固定牢固,严禁直接放置在皮带机上。
2、所有过桥均要保证不小于500mm的过煤空间,顶部保证有足够的行人空间。
3、过桥要求统一刷天蓝色防锈漆。
4、需从胶带下方行人的胶带下方应安设防护设施,周边使用不小于L40×4mm的角铁作为框架,中间焊接不小于δ3的钢板,长度不小于1.5m,行人高度不低于1.6m,宽度根据胶带机机架的实际情况确定,采用卡子和机架连接。
(四)过桥制作标准
1、0.8m胶带机过桥制作标准见附图1
2、1m胶带机过桥制作标准见附图2
3、0.65m胶带机过桥标准见附图3








