针对煤气鼓风机前负压煤气管道上部出现吸瘪塌陷,成为严重威胁安全生产的隐患的情况,制定检修方案,并制定相应动火施工安全措施,在未影响煤气正常输送的情况下,安全地完成了检修任务。
1前言
马钢煤焦化公司第二回收车间是本套200万t/a焦炭生产规模的大型连续性生产的化工车间。设计煤气处理量为12.9万m3/h,年回收煤焦油10万t、轻苯2.8万t、硫磺0.32万t。
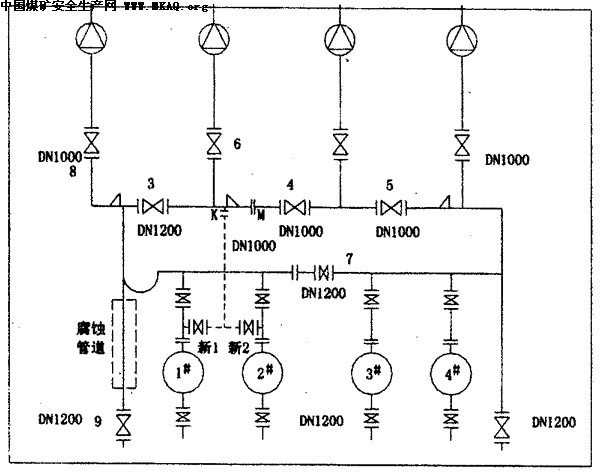
2004年,煤气鼓风机前一系DN1200的电捕尘器(以下简称电捕)旁通负压煤气管道上部突然出现吸瘪塌陷情况,经检查发现,该管道因长期不用,腐蚀十分严重,管道上部局部壁厚不到1mm,后来采取了在管道破裂处塞保温棉,外部缠白铁皮的临时处理措施。该负压管道一旦腐蚀断裂,吸入大量空气,后果不堪设想,该管道已成为威胁安全生产的重大隐患。风机前负压煤气管道布局见图1。

图1 风机前负压煤气管道示意图
(更正启事:由于作者笔误,造成图1中新增出口管道尺寸有误,现更正如下:图1中虚线处DN1000更正为DN1200。)
2方案制定
为彻底解决该隐患,而又不影响煤气的正常输送,根据现场实际情况,该公司采取了铺设一路从1#、2#电捕出口管到K点的临时煤气管道的检修方案。检修期间,一系煤气全部从临时煤气管道走,另针对负压煤气管道的特点,制定了相应的动火作业安全措施,有效保证了检修的时间、质量和安全。
3施工安全措施
3.1 1#、2#电捕增加一路DN1200的新出口管道
3.1.1 1#电捕出口管开口
停1#电捕,关闭1#电捕入口阀门,将1#电捕DN1200的出口管吊下,在地面在1#电捕DN1200的出口管上开1个DN1200的新口(焊1个新法兰短节),DN1200的新1#阀(蝶阀)和新法兰短节连接好(DN1200的新1#阀外侧安装1块盲板)将1#电捕DN1200的出口管连同新1#阀复位。
3.1.2 2#电捕出口管口
具体步骤同上。
新1#阀、新2#阀后到机前水平煤气管道K点的DN1200的临时煤气管道配置见图1。
先将新1#阀、新2#阀后到机前水平煤气管道K点的DN1200的临时煤气管道制作好(气密性试验合格)。
3.1.3 K点开口(DN1200)
停2#风机,关闭3#、4#、6#阀,堵3#阀(DN1200)北侧、4#阀(DN1000)南侧、6#阀(DN1000)东侧3块盲板;
将M点短节法兰螺栓松开,将M点短节拆除,从2#风机6#阀前入口管上的氮气吹扫口向3#、4#、6#阀间的管道内用氮气进行置换,CO分析仪检测合格(煤气浓度<10ppm),K点开口,焊1个DN1200的法兰短节,并将DN1200的临时煤气管道与K点碰好头;
将3#、4#、6#、新1#、新2#阀处共5块盲板全部抽除,开3#、4#、6#阀,氮气置换后,临时煤气管道可以使用。
3.2 一系电捕旁通管检修(检修期间1#风机不能备用)
3.2.1堵盲板
停1#风机,依次堵1#电捕出口阀阀前DN1200的盲板,开新1#阀,1#电捕煤气从临时管道走;堵2#电捕出口阀阀前DN1200的盲板,开新2#阀,2#电捕煤气从临时管道走;关3#、7#阀,堵一、二系电捕交通阀(7#阀)南侧DN1200的盲板;堵3#阀南侧、8#阀前、9#阀后共3块盲板。
3.2.2 氮气置换
从一系电捕旁通煤气管道下部DN25的蒸汽吹扫口向煤气管道内通氮气进行氮气置换,松开1#、2#电捕出口阀阀后法兰螺栓,松开9#阀阀后法兰螺栓,直到法兰间隙有大量氮气冒出;CO分析仪检测合格(煤气浓度<10ppm)
3.2.3施工方案
一系电捕旁通管等旧煤气管拆除,新管道安装,电捕后水平煤气管道拉直;
新煤气管道安装好,气密性试验合格后,依次抽9#、8#、1#、2#电捕出口阀、3#、7#阀处盲板;
开1#电捕出口阀,关新1#阀,1#电捕煤气从正式管道走,开2#电捕出口阀,关新2#阀,2#电捕煤气从正式管道走;
停2#风机,关3#、4#、6#阀,将临时煤气管道从法兰处断开拆除(不动火),K点上闷盖;依次停1#、2#电捕,将新1#、新2#拆除,上2个闷盖。
4 施工时的具体安全措施
1. 施工前对施工、检修人员进行安全教育及施工技术交底;
2.按方案要求对煤气管道施工部位堵盲板、泄压、氮气吹扫;
3. 因在负压煤气区域施工,煤气管道每块盲板堵好后,车间安排专人进行检查、确认,确认堵盲板处严密,不吸入空气;
4. 施工人员必须严格按规程作业,听从统一指挥;
5. 施工人员文明施工,施工过程中注意保护好现场设备、阀门、管道等设施;
6. 进行吊装作业时,起重人员应提前对吊装现场情况进行检查确认(地坪、现场情况),并制定详细的吊装方案,吊装方案应符合《工程建设安装工程起重施工规范》(HG20201-2000)中的相关规定;
7. 煤气管道动火作业时,需办理一级动火证,消防车监护,救护车、医疗人员到位;车间专人监护,消防器材到位;
8. 煤气管道、阀门清扫时,需用CO检测仪检测煤气浓度(CO浓度小于50ppm),作业人员要戴氧气呼吸器;
9. 旧水平管道拆除、施工时要对现场的一些风机的仪表及附件采取保护措施,对运行风机的相关仪表联锁点进行临时解锁处理;
10.对清出的管道沉积物,要采取防自燃措施,及时清运出现场。
5 结束语
此次负压煤气管道动火施工作业,倒煤气见机3次,抽堵煤气盲板近20次,在负压煤气管道上焊接牛腿20只(带气),最后,动火割除腐蚀严重的负压煤气管道,前后仅用了10天时间。
由于计划周密、准备充分,安全措施到位,整个施工期间没有出现任何安全问题,也没有影响煤气的正常输送,彻底消除了该重大事故隐患,也为该公司负压煤气管道动火作业积累了宝贵的经验。